有問題嗎?
匡信技術顧問為您服務!
電話:0512-57772351
郵箱:marto@marto.cc
產品選型
油缸種類 | 空白:基本型 C:雙軸油缸 D:雙軸前進可調行程油缸 |
油缸內徑(s s) | φ32,φ40,φ50,φ63,φ80,φ100,φ125,φ150,φ180,φ200,φ224,φ250 |
油缸行程(s s) | 用戶指定 |
安裝方式 | SD:基本型 FA:前法蘭型 FB:后法蘭型 CA:單山型 CB:雙山型 LA:徑向腳座型 LB:軸向腳座型 TA:前砲耳型 TC:中間砲耳型 |
緩沖型式 | 空白:標準品(無緩沖) PPV:前后皆有緩沖 FPV:前蓋有緩沖 RPV:后蓋有緩沖 |
軸端接頭 | Y:Y接頭 I:I接頭 |
可調行程長度 | 雙軸前進可調行程油缸,油缸可調整長度請選擇標準規格:25或50mm |
入油口位置 | 空白:標準型 |
緩沖調整閥位置 | 空白:標準型 |
油封材質 | 空白:標準型(NBR/TPU)2:脲酸橡膠(PU)3:氟橡膠(FPM) |

備注:我們是生產廠家,尺寸可根據要求定制更改
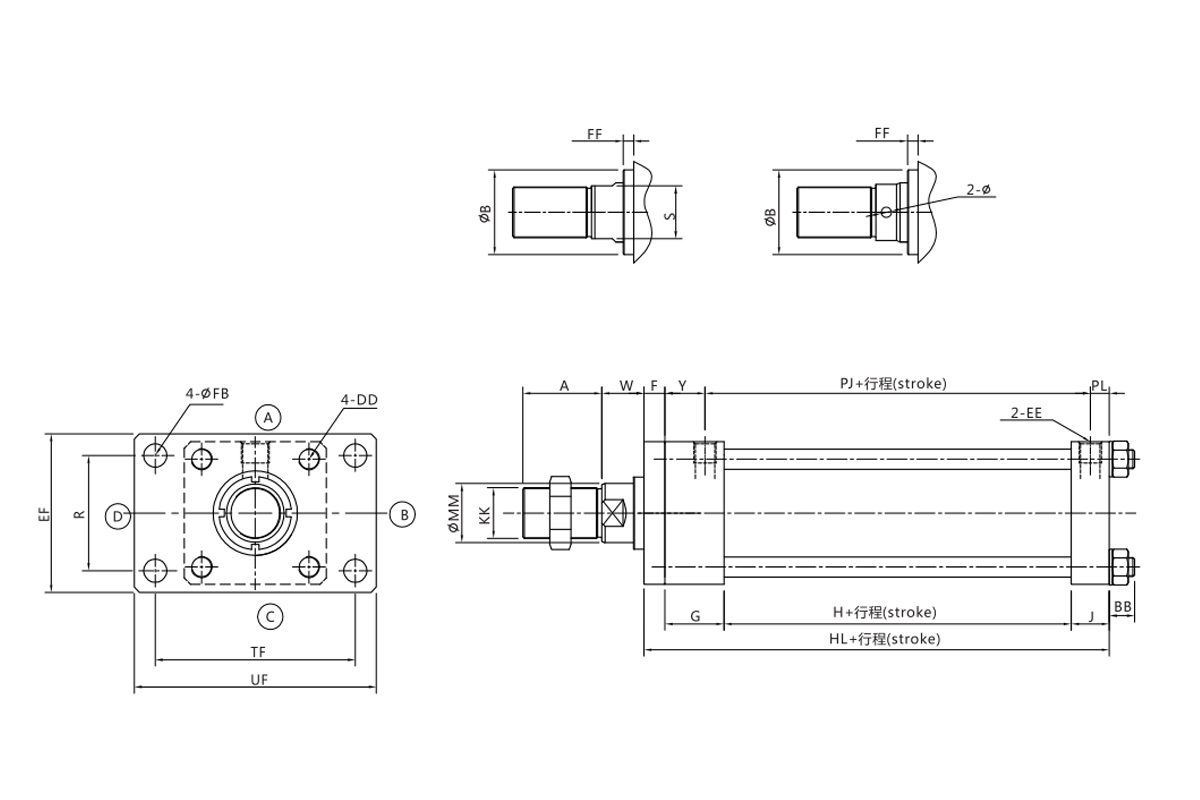
內徑記號 | φMM | A | φB | BB | DD | E | EE | F | FF | KK | G | H | HL | ||
32 | 18 | 25 | 34 | 12 | M10×1.5 | 58 | PT1/4 | 11 | 10 | M16×1.5 | 40 | 64 | 141 | ||
40 | 22.4 | 30 | 40 | 12 | M10×1.5 | 65 | PT3/8 | 11 | 10 | M20×1.5 | 40 | 64 | 141 | ||
50 | 28 | 35 | 46 | 12 | M10×1.5 | 76 | PT1/2 | 13 | 10 | M24×1.5 | 44 | 68 | 155 | ||
63 | 35 | 45 | 55 | 17 | M14×1.5 | 90 | PT1/2 | 15 | 10 | M30×1.5 | 46 | 72 | 163 | ||
80 | 45 | 60 | 65 | 22 | M16×1.5 | 110 | PT3/4 | 18 | 10 | M39×1.5 | 56 | 74 | 184 | ||
100 | 56 | 75 | 80 | 27 | M20×1.5 | 135 | PT3/4 | 20 | 10 | M48×1.5 | 56 | 96 | 208 | ||
125 | 60 | 60 | 85 | 30 | M22×1.5 | 165 | PT3/4 | 25 | 12 | M48×2.0 | 58 | 90 | 220 | ||
150 | 80 | 70 | 110 | 35 | M27×2.0 | 195 | PT3/4 | 30 | 12 | M72×2.0 | 58 | 96 | 232 | ||
180 | 100 | 100 | 125 | 40 | M30×2.0 | 220 | PT1′ | 35 | 23 | M95×2.0 | 68 | 100 | 261 | ||
200 | 110 | 110 | 140 | 45 | M33×2.0 | 245 | PT1′ | 40 | 24 | M100×2.0 | 68 | 115 | 281 |
上一個:MPH標準型拉桿油缸
